新聞資訊
新聞資訊
- 施耐德接觸器國產LC1D怎么選型?
- 施耐德熱過載繼電器LRN12N產品參數介紹
- 施耐德LC1D、LC1N和LC1R系列接觸器主要區別
- 施耐德交流接觸器LC1-D09M7C接線圖及安裝注意事項
- 施耐德RXM系列中間繼電器型號字母含義
- 施耐德交流接觸器LC1D系列的接線方法
聯系我們
聯系人:戴先生
手機:18682261879
電話:15362828697
郵箱:hmtjd@qq.com
地址:深圳市寶安區福永興華路興鴻基物流園二期
施耐德資訊
施耐德電氣ATS480系列軟起動器在地鐵隧道風機上的應用
作者:施耐德電氣
來源:http://www.tpemat.com/
發布時間:2023-09-04 09:50:31
點擊:
隧道風機簡介
地鐵里的隧道風機,又叫TVF風機。為了給乘客、地鐵工作人員及檢修人員提供一個舒適的環境,一般在早上地鐵開班前,一臺隧道風機抽進新鮮空氣,另一臺隧道風機排風約半小時。晚上休班后再次進行同樣的工作。從而使得隧道內的空氣比較清新。

但是在緊急情況下,例如地鐵內部發生火災,隧道風機如果繼續吸入新鮮空氣則會助長火勢,因此在這種情況下隧道風機要求能快速停機并反轉來排出火災帶來的煙霧。根據消防要求,這一動作必須在60秒內完成。
隧道風機的控制
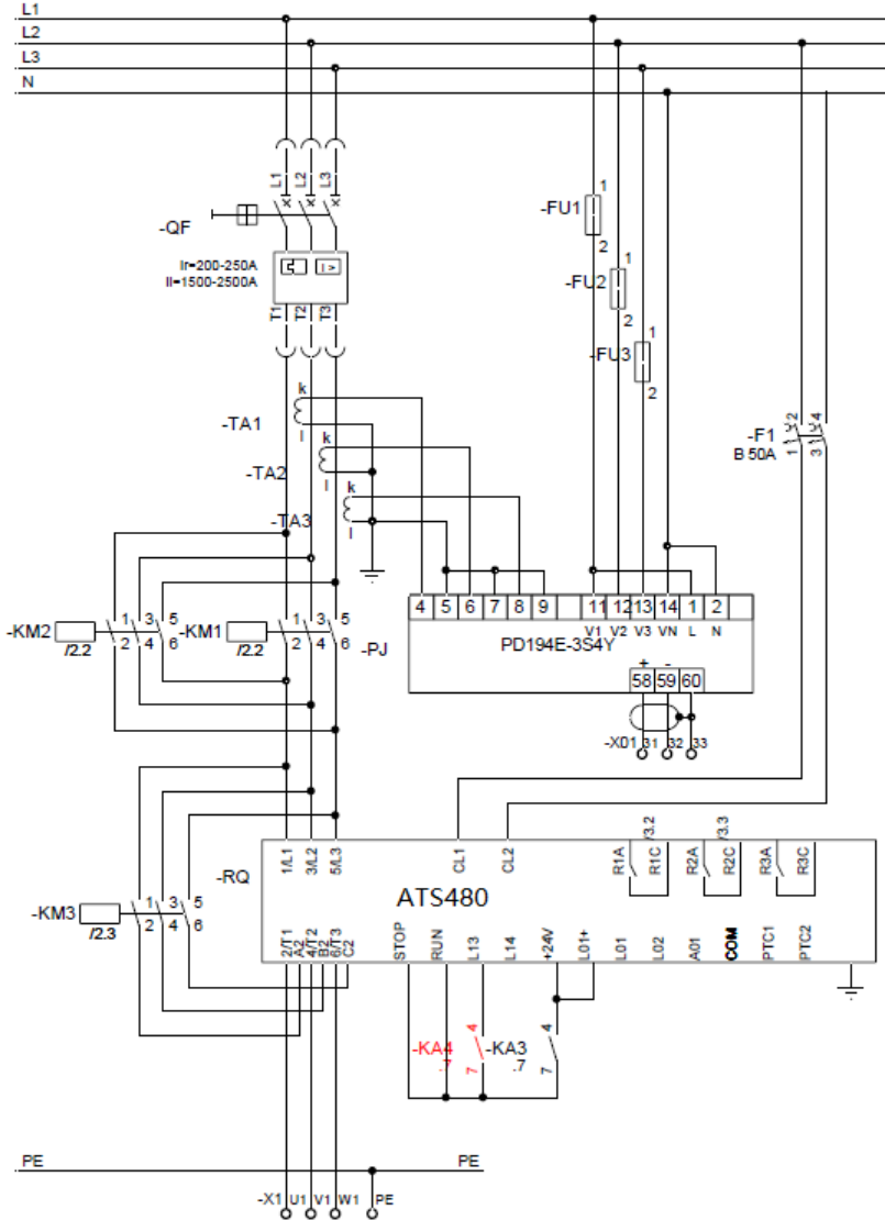
地鐵里的隧道風機,其功率大多是90KW,除非個別大站,功率稍大一點。由于無須調速,工作時間較短,一般使用軟起動器來驅動。軟起動器的功率一般放大一檔,即使用110KW的軟起動器。
在大部分項目中,隧道風機功率是90KW,常選用的施耐德電氣ATS480的對應型號是ATS480C21Y。

隧道風機的制動
隧道風機的正反轉控制很簡單,在進線側或出線側加裝2個正反轉的接觸器即可。難點在于要求在60秒內實現正轉-停機-反轉,或反轉-停機-正轉。由于軟起動器不像變頻器,可以加制動單元,制動電阻。根據異步電機的制動原理,結合施耐德電氣軟起動器制動功能,施耐德電氣ATS480軟起動器的制動可使用內部直流制動實現該要求。
內部直流制動
由于ATS480本身具有動態制動停機功能,使用軟起動器本身的直流制動來完成風機的快速停機,省去了外部大量的制動元器件。將LI3設為直流制動。內部定義其功能為第二套參數。即火災模式時,使用第二套參數,停機模式是動態制動停機,也就是快速停機。

施耐德電氣ATS480系列軟起動器繼承了上一代產品ATS48的優良性能,該產品在地鐵隧道風機上的成功測試,證明了其內置的動態制動功能完全能夠勝任地鐵隧道風機這種比較特殊的60秒正反轉要求,對于施耐德電氣軟起動器在地鐵行業的應用具有重大意義。
本文由施耐德代理商-華銘特機電摘抄施耐德電氣官方平臺
地鐵里的隧道風機,又叫TVF風機。為了給乘客、地鐵工作人員及檢修人員提供一個舒適的環境,一般在早上地鐵開班前,一臺隧道風機抽進新鮮空氣,另一臺隧道風機排風約半小時。晚上休班后再次進行同樣的工作。從而使得隧道內的空氣比較清新。

但是在緊急情況下,例如地鐵內部發生火災,隧道風機如果繼續吸入新鮮空氣則會助長火勢,因此在這種情況下隧道風機要求能快速停機并反轉來排出火災帶來的煙霧。根據消防要求,這一動作必須在60秒內完成。
隧道風機的控制
地鐵里的隧道風機,其功率大多是90KW,除非個別大站,功率稍大一點。由于無須調速,工作時間較短,一般使用軟起動器來驅動。軟起動器的功率一般放大一檔,即使用110KW的軟起動器。
在大部分項目中,隧道風機功率是90KW,常選用的施耐德電氣ATS480的對應型號是ATS480C21Y。

隧道風機的制動
隧道風機的正反轉控制很簡單,在進線側或出線側加裝2個正反轉的接觸器即可。難點在于要求在60秒內實現正轉-停機-反轉,或反轉-停機-正轉。由于軟起動器不像變頻器,可以加制動單元,制動電阻。根據異步電機的制動原理,結合施耐德電氣軟起動器制動功能,施耐德電氣ATS480軟起動器的制動可使用內部直流制動實現該要求。
內部直流制動
由于ATS480本身具有動態制動停機功能,使用軟起動器本身的直流制動來完成風機的快速停機,省去了外部大量的制動元器件。將LI3設為直流制動。內部定義其功能為第二套參數。即火災模式時,使用第二套參數,停機模式是動態制動停機,也就是快速停機。

施耐德電氣ATS480系列軟起動器繼承了上一代產品ATS48的優良性能,該產品在地鐵隧道風機上的成功測試,證明了其內置的動態制動功能完全能夠勝任地鐵隧道風機這種比較特殊的60秒正反轉要求,對于施耐德電氣軟起動器在地鐵行業的應用具有重大意義。
本文由施耐德代理商-華銘特機電摘抄施耐德電氣官方平臺
- 上一個:施耐德代理談施耐德伺服驅動器常見問題及解決方案
- 下一個:施耐德接觸器介紹及工作原理
新聞資訊
-
2024-02-28
施耐德接觸器國產LC1D怎么選型?
-
2024-02-27
施耐德熱過載繼電器LRN12N產品參數介紹
-
2024-02-26
施耐德LC1D、LC1N和LC1R系列接觸器主要區別
-
2023-10-31
施耐德交流接觸器LC1-D09M7C接線圖及安裝注意事項
-
2023-10-31
施耐德RXM系列中間繼電器型號字母含義
-
2023-10-11
施耐德交流接觸器LC1D系列的接線方法
-
2023-10-09
施耐德接觸器介紹及工作原理
-
2023-09-04
施耐德電氣ATS480系列軟起動器在地鐵隧道風機上的應用
相關產品
-
原裝進口施耐德控制繼電器RM22TG20相序保護器三相監測
-
施耐德LC1N接觸器線圈220V 深圳施耐德接觸器代理LC1N0910M5N
-
Schneider/施耐德電氣XB2B平頭按鈕,紅色XB2BA42C彈簧復位?22代理商
-
施耐德微型斷路器IC65N 2P C16A,A9F18216施耐德斷路器代理商
-
施耐德iC65N微型斷路器 2P C10A,A9F18210
-
施耐德接觸器TeSys Deca,3極LC1D18M7C,線圈電壓220V
-
施耐德信號燈柱一體式XVG系列XVGB1A/XVGB1MA型號齊
-
施耐德iPRU可插拔式浪涌保護器, 1P, Imax: 40kA, Uc: 350V,A9L040100


華銘特小戴
華銘特小段